近日,bat365历史与社会学院邹后曦教授作为第一作者以“The earliest loaded iron bomb excavated from the Baidicheng fort site Chongqing, China”为题,在国际著名期刊《Archaeological Research in Asia》(《亚洲考古研究》)上发表了对重庆奉节白帝城遗址出土铁雷的历史背景和制作工艺的研究成果。

图一 白帝城遗址位置图
四川大学考古文博学院李玉牛教授为本文通讯作者,重庆市文物考古研究院孙治刚副研究馆员、叶琳副研究馆员、李大地研究馆员,英国埃克塞特大学G. Juleff教授,四川大学考古文博学院李映福教授为本文共同作者。
2017年,重庆市文化遗产研究院(现重庆市文物考古研究院)在重庆市奉节县白帝城的子阳城樊家台地点H1、皇殿台地点CM2发现铁雷17件,其中H1出土16件铁雷,CM2出土1件。考古工作者对17件铁雷做了系统检测,其中皇殿台地点发现的1件铁雷(编号CM2①:9 )装填有火药。白帝城遗址出土铁雷不仅数量多,保存完好,且出土单位明确,年代清楚,特别是CM2①:9既是世界首次发现的装填火药的铁雷,也是迄今为止世界上发现的年代最早的火药实物,对研究中国早期火药的成分、能量以及火药西传的时代与途径等问题都具有重要学术意义。

图二 白帝城遗址H1(上)主要出土遗物(下)
铁火雷出土于子阳城T9的H1,根据发掘情况判断,H1原为蓄水池,宋军投降后或为防止兵器落入元军手中而变成填埋坑。在坑底散乱堆放铁箭镞、铁雷、铜弩机等兵器,上部以石块、泥土掩埋。H1叠压于元代淤积层下,坑内出土南宋时期的白釉瓷碗、青釉缸胎瓷罐等器物。灰坑内共采集5个测年标本(1件动物骨骼,4件木炭)进行碳十四测年结果显示H1的绝对年代在1042-1275AD(2σ),与考古学判断基本吻合,属于宋末元初时期。

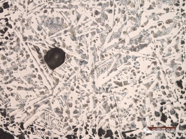
图三 出土铁雷金相照片(莱氏体与珠光体)
白帝城是宋代守长江上游以固下游防御体系的核心,其中白帝城宋蒙之战是中国宋元史的重大事件。夔州路保卫战始于1234年,1278年川鄂元军会师白帝城下夔州宋军被迫投降,历时近44年。H1掩埋的年代与这一历史事件的年代基本一致。白帝城作为南宋的最后一道防线,直到四川战区指挥中心四川制置司重庆府投降也未被攻陷,铁火雷的应用在守城战中或许发挥了极大的作用。白帝城铁雷的发现,是南宋铁火雷的第一手实物资料,对深入探讨13世纪的军事史、科技史提供了宝贵的资料,具有极其重要的学术意义。